【学术前沿】四种多酚与高白鲑(C. peled)肌原纤维蛋白相互作用对蛋白质结构和凝胶性质的影响研究

发布者:食品学院发布时间:2024-11-16浏览次数:234


bat365在线中文官方网站营养与功能食品研究中心

Study of four polyphenol-Coregonus peled (C. peled) myofibrillar protein

interactions on protein structure and gel properties

Food Chemistry: X

(中科院一区,JCR一区,IF=6.1TOP期刊)


1 研究背景

高白鲑(C. peled)作为新疆特色冷水鱼,在构建优质蛋白产品方面具有巨大的市场潜力。然而,蛋白氧化和非蛋白添加剂会影响蛋白产品的性能与质量。酚类物质广泛存在于水果、蔬菜和谷物中,大部分具有抗氧化和抗菌特性。多酚通过非共价和共价相互作用与肌肉蛋白结合,改善蛋白质的功能特性已成为研究热点。然而,自然界中存在各种具有复杂系统的多酚物质,不同多酚与蛋白相互作用的亲和力存在强弱差异,多酚剂量大小导致与蛋白相互作用的构象及功能特性发生变化。此外,多酚-蛋白相互作用结合机制、结合位点以及蛋白-多酚相互作用对功能特性的影响有待研究。


2 文章标题页详情

3 研究成果

3.1 内容简介

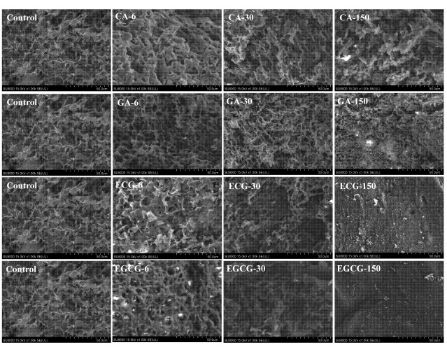
以高白鲑肌原纤维蛋白为研究对象,选取绿原酸(CA)、没食子酸(GA)、表儿茶素没食子酸酯(ECG)和表没食子儿茶素没食子酸酯(EGCG4种多酚,分别与肌原纤维蛋白相互作用。根据不同多酚的种类和剂量,探究蛋白-多酚配合物的构象和凝胶性质的变化。同时,采用多光谱学和分子对接技术,探究蛋白-多酚相互作用的结合类型和具体作用位点。

3.2 研究结论

多酚以剂量依赖方式消耗蛋白巯基和游离氨基含量,以静态猝灭机制诱导蛋白发生荧光猝灭,并引起蛋白质的二级和三级结构变化。GA可以改善蛋白质的凝胶特性,而过量的ECGEGCG会导致交联聚集并阻止凝胶网络的形成。热力学研究和分子对接证实CAECGEGCG主要通过疏水相互作用与肌原纤维蛋白结合,而GA和肌原纤维蛋白主要通过氢键结合。多酚和蛋白质之间的亲和力顺序为EGCG > ECG > CA > GA。这些结果为改善高白鲑肌原纤维蛋白凝胶性质提供了另一种途径,也为后续研究高白鲑肌球蛋白与不同结构多酚的作用机制奠定基础。


4 专家简介

张建,博士,教授。主要从事水产品加工贮藏保鲜方面的研究工作,主持及参与国家自然科学基金“蛋白质氧化引起新疆高白鲑肌肉蛋白功能变化及其机理的研究”、“体外羟自由基氧条件下内源蛋白酶对高白鲑肌原纤维蛋白作用的研究”和“新疆冷水鱼抗冻蛋白的结构特性及抗冻机理的研究”项目等。近年来,以第一作者或通讯作者在Ultrasonics SonochemistryFood ChemistryFood Chemistry-XLWT-Food Science and TechnologyInternational Journal of Food Science and Technology等国际学术刊物上发表文章20余篇。

郭欣,bat365在线中文官方网站博士研究生,主要研究方向为新疆特色冷水鱼蛋白氧化与凝胶性质的研究。


5 团队介绍

bat365在线中文官方网站营养与功能性食品研究方向主要围绕水产品理论与技术、功能食品工业化、有害物检测等领域开展科学研究,主要研究方向包括美拉德反应初期产物形成控制及健康食品创制研究、蛋白质氧化调控与产品品质提升技术研究、新疆特色动植物贮藏及加工过程中有益组分的营养及功能评价、有害组分的发生机制及调控检测方法、产品开发及副产物的综合利用等方面的研究等。